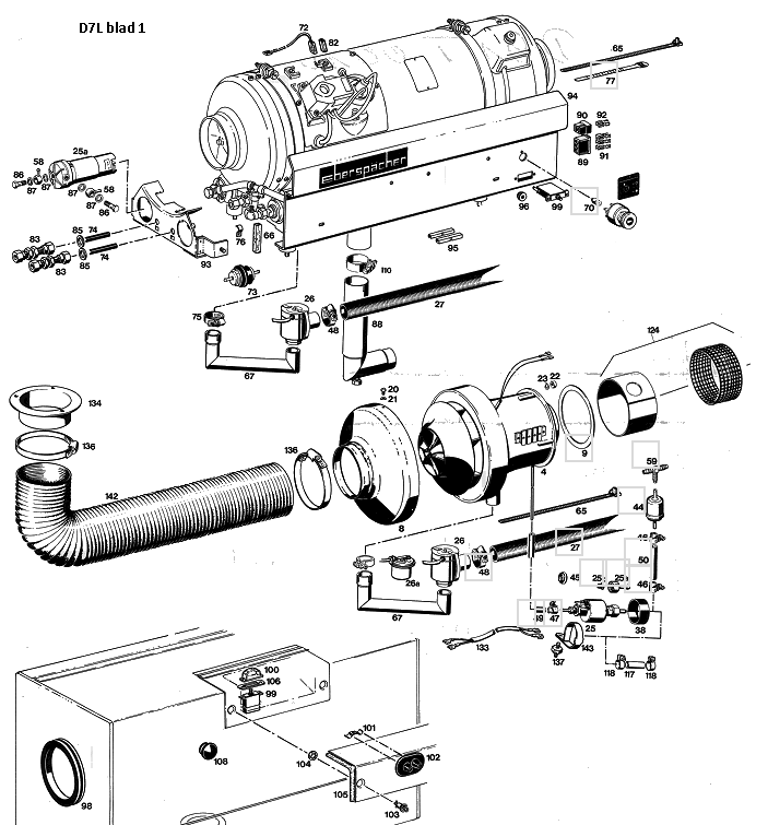
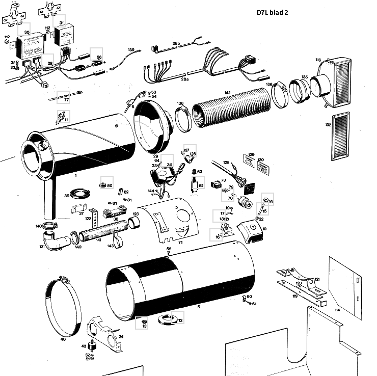
Eberspächer Reparatiedelen voor Airtronic D 7 L kachels
Onderstaand de onderdelentekeningen van de Eberspächer D 7 L . Van deze kachel zijn nog onderdelen leverbaar. Heeft u interresse in een onderdeel
mail dit nr. voltage met omschrijving of foto van het onderdeel nummer naar info@standkachel.nu . Wij geven u dan de prijs en levertijd.
3 Artikelen
Artikelnummer 251470530000
Artikelnummer 251630990601
Artikelnummer 251226010004