Eberspächer Airtronic XL3 Commercial D 8 L heater. 24 Volt. Diesel

Item No.: 25 3020 05 00 00

Eberspacher heater D6 12 volts up to 6000 watts.

Capaciteit              kW     : 1,5 - 6,0

Airdisplacement   kg/h   : max 285

Energy             Watt       : max 95

Fuel          l/h                  : 0,12 tot 0,49

Bedrijfstemp        C        : -40 tot +70

Weight               Kg       : 6,8

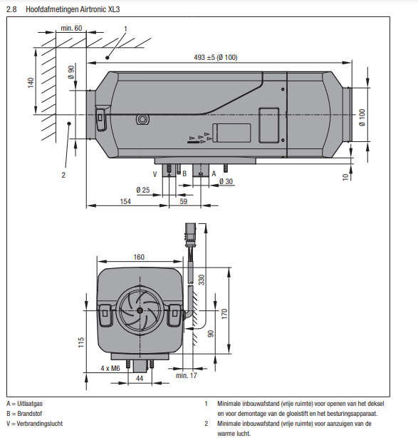
Mess                  mm     : 438 x 160 x 170

Scope of supply: heater with integrated control unit, metering pump, documentary CD-ROM and Warranty.

Possible applications: cars, minivans, vans, RVs, 4-wheel vehicles, electric vehicles, disabled vehicles, Based on the concept of mobile application are the heaters as continuous heating (eg for heating homes and / or houseboats.) Unsuitable.
Accessories: For the installation are some of the accessories required. These are located in the installation kit. a control element is also noodzakelijk.Behalve following several options are listed on the separate list controls. Other accessories can be used as an option. Please refer to the attachments. If you have questions or a problem with the installation of your stove, you can always send an email to info@standkachel.nu possibly with pictures so we can give you for free advice.

Mounting set 25272080000

2.961,00 2.368,80
(Price excluding VAT): 2.368,80
You Save: 20%
Description

Eberspacher  luchtkachel D5 12 volt max 5000 watt.

Leveringsomvang : Kachel met geintegreerd stuurapparaat, doseerpomp, docu cd-rom en garantieformulier.

Mogelijke toepassingen : Personenwagens, bestelbusjes, transporters, campers, 4- wiel voertuigen, electrovoertuigen, invalidenvoertuigen, Op grond van het concept voor mobiele toepassing zijn de verwarmingen als continu verwarming (bijv. voor een verwarming van woningen en/of woonboten) niet geschikt.

Toebehoren : Voor de inbouw zijn enkele toebehoren noodzakelijk. Deze bevinden zich in de inbouwset. een bedieningselement is ook noodzakelijk.Behalve onderstaande zijn meerdere mogelijkheden aangegeven op de aparte lijst bedieningselementen . overige toebehoren kunnen als optie toegepast worden. Zie hiervoor de toebehoren . Heeft u vragen of een probleem met het installeren van uw kachel kunt u altijd een email sturen aan info@standkachel.nu eventueel met foto's zodat wij u kostenloos een advies kunnen geven.

Inbouwset 252361800000

Additional Information

Reviews ()
Eberspächer Airtronic XL3 Commercial D 8 L heater. 24 Volt. Diesel does not have any reviews yet. Share your experiences and post a review.
Post review
Eberspächer Airtronic XL3 Commercial D 8 L heater. 24 Volt. Diesel
Post review

Meest recente reviews

Alternate products for Eberspächer Airtronic XL3 Commercial D 8 L heater. 24 Volt. Diesel