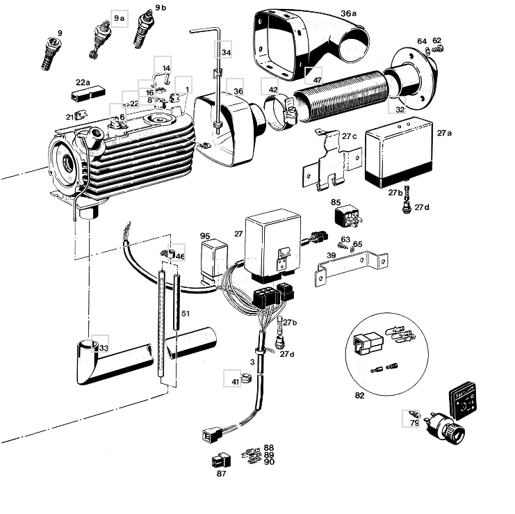
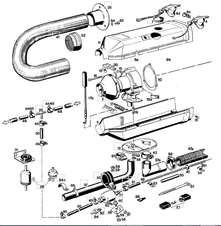
Eberspächer Repairparts for Airtronic D 1 L kachels
Reparatie onderdelen Eberspacher B/D1LC. U kunt uw onderdeel uitzoeken en ons het nr mailen met omschrijving . Wij maken u dan een aanbieding.
10 Items
Item number 251976510001
Item number 201719060400
Item number 251688060400
Item number 251688060003
Item number 251688010006
Item number 201465060002
Item number 251688060006
Item number 000013131051
Item number 251384010100