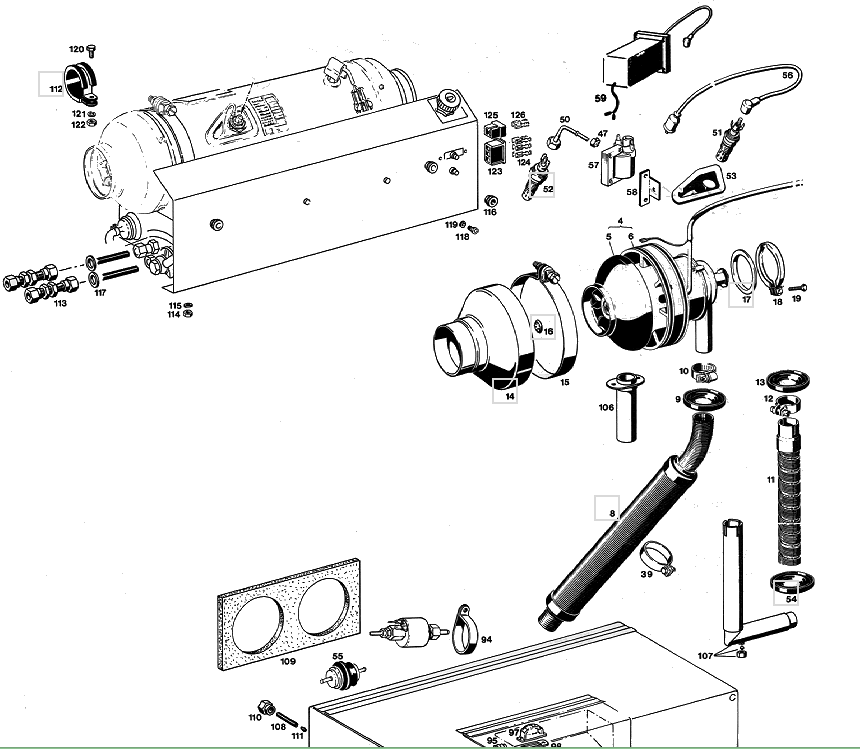
Eberspächer Repairparts for Airtronic D 4 L en B 4 L kachels
Onderstaand de onderdelentekeningen van de Eberspächer D4L . Van deze kachel zijn nog onderdelen leverbaar. Heeft u interresse in een onderdeel
mail dit nr. voltage met omschrijving of foto van het onderdeel nummer naar info@standkachel.nu . Wij geven u dan de prijs en levertijd.
3 Items
Item number 201645450000
Item number 251228880001
Item number 251684010002